放置特征标注
-
选择标注命令
,然后删除标注文本和标注文本 2 框中的任何信息。 -
在常规选项卡上,单击特征标注按钮
。 注释:特征标注选项使标注参考标注属性对话框的特征标注页上的预定义属性文本字符串。放置标注时选择的孔、槽或螺纹几何体确定了用于提取信息的字符串。有关更多信息,请参见定制特征标注。
-
定位特征的边以显示中心点符号,然后单击以放置标注。
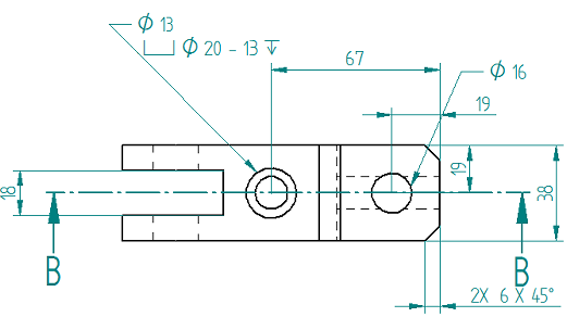
示例:在第一个示例中,所选几何体是具有较小同轴孔的圆柱型平底沉头孔。对于这种类型的孔,特征标注显示如下所示的信息。
- 对于较小的同轴孔(标注线 1)
-
孔信息(直径符号、直径值、深度符号、孔深度值)
- 对于较大的沉头孔(标注线 2)
-
沉头孔信息(沉头孔符号、直径符号、沉头直径值、深度符号、沉头深度值)
注释:要将孔数代码用于原有工程图文件,必须使用 Ctrl+Shift 键及更新视图命令强制更新图纸视图。
要了解如何预定义将要引用的信息,请参见在尺寸样式中定义智能孔属性。
可以使用特征标注根据选择的孔、槽或螺纹特征类型提取一组标准信息。可以放置特征标注注释,以及尺寸类型设置为特征标注
的尺寸。当引用使用孔命令添加的孔时,可以包含数量注释,以根据孔选项对话框中的类型和其他参数来计算等效孔数。
示例:
![]()
© 2021 UDS

