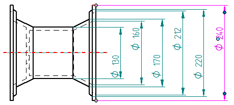
放置对称直径尺寸
-
放置对称直径尺寸之前,确认已选中绘制草图选项卡(或主页选项卡)→相关组→保持关系命令
。 -
选择对称直径命令
。 -
在尺寸命令条上,执行以下操作:
-
从方向列表中,选择尺寸方向选项。默认值是水平/竖直。
有关方向示例,请参见对称直径命令。
-
使用直径 - 全/半按钮指定是要放置半直径尺寸还是全直径尺寸。
直径 - 半/全
打开

关

-
-
执行以下任一操作:
- 垂直或平行于中心线性轴放置尺寸:
-
-
(指定尺寸原点元素)单击线性几何元素,如中心线注释或附加到零件的构造线 (1) 。
中心轴显示出来,且高亮显示。
-
(指定尺寸测量元素)单击要标注尺寸的第一个元素或关键点 (2)。

-
移动光标以将尺寸放置到所需的位置,然后单击以放置第一个尺寸 (3)。如果需要将尺寸方向更改 90 度,可在放置尺寸时按住 Alt 键。

-
单击要标注尺寸的下一个元素或关键点 (4)。
注释:第二个尺寸将自动放置、并与第一个尺寸对齐并分组在一起。
-
继续单击元素或关键点来放置其余尺寸。

-
- 使用用 2 点定位方法放置一组新的尺寸:
-
-
(指定尺寸原点元素)单击两个关键点中的第一个来定义隐含轴 (1)。

-
(指定尺寸测量元素)单击第二个关键点以完成指定隐含轴,并标识要标注尺寸的第一个点 (2)。

-
软件在动态模式下显示第一个对称尺寸和隐含中心轴。要将轴方向改变 90 度,请按住 Alt 键并移动光标 (3)。
单击以放置第一个尺寸。

-
单击要标注尺寸的下一个关键点。
第二个尺寸自动放置,并与第一个尺寸对齐。
-
继续单击关键点以放置其余尺寸。
当您单击一个关键点或几何元素时,软件会自动放置第一个尺寸后的所有尺寸。

-
- 将对称直径尺寸添加到尺寸组:
-
-
(指定尺寸原点元素)找到并单击组中的一个现有对称直径尺寸。
-
(指定尺寸测量元素)单击元素或关键点来标注尺寸。
该尺寸自动放置,并与组中的其他尺寸对齐。现有尺寸会重新排列,以便这些尺寸保持正确顺序。
-
-
可以找到用于放置对称直径尺寸的交点。

-
要对附加尺寸使用不同的原点或对齐方式,请右键单击来从头开始,在出现提示时单击尺寸原点元素。
-
在一个视图中定义中心轴后,您可以通过单击在相同几何体的不同视图上放置对称直径尺寸,如局部放大图。
© 2021 UDS