坐标尺寸
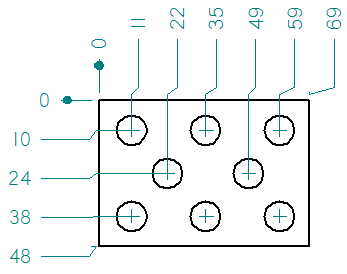
可以使用“坐标尺寸”命令来放置尺寸,用于测量从公共原点到一个或多个关键点或元素的距离。
选择坐标尺寸命令
有多种命令可用来放置和修改坐标尺寸。
| 使用此符号 | 目标 |
|
| 同时放置所有线性坐标尺寸。通过选择图纸视图或拖动框可以选择 2D 几何元素。 使用此命令可以在两个图纸视图间放置坐标尺寸。
|
|
| 手动逐个放置线性坐标尺寸。 可以按任意次序,在原点的任一侧放置坐标尺寸。
|
|
| 放置一个尺寸,用于测量中心点、轴以及测量点之间的夹角。
|
|
| 使尺寸组中的当前公共原点 (0) 尺寸与尺寸组中的另一尺寸交换。 |
操控坐标尺寸
可以根据坐标尺寸在对齐集中的成员关系同时调整它们的位置。还可调整一个或多个单独尺寸的位置,调整时首先从对齐集中移除它们,或分割、分解对齐集。
有关更多信息,请参见坐标尺寸对齐集。
删除坐标尺寸
如果要删除引用相同原点的所有尺寸,可选择原点尺寸,然后按“删除”。还可删除单独的测量尺寸,操作时首先选中它们,然后按“删除”。
坐标尺寸格式设置选项
坐标尺寸有一组独特的格式设置选项。例如,您可以:
-
更改原点符号。
-
隐藏原点标签。
-
指定文本相对于尺寸线的方位。
-
显示原点左侧的负值。
这些选项在线和坐标选项卡(尺寸样式和尺寸属性)的“坐标”区域内可用。您可以在“尺寸样式”中指定这些,使其可以被自动应用。另一种方法是修改选定尺寸的属性。
© 2021 UDS






