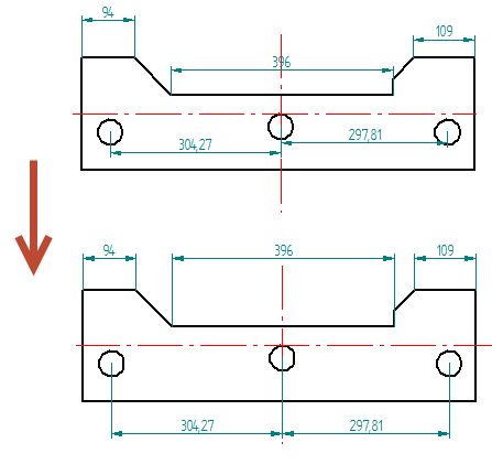
排列尺寸命令
在“工程图”环境中使用排列尺寸命令
可自动分组、选择和排列线性尺寸,使它们不与图纸视图几何元素和注释重叠。
注释:
-
只有线性尺寸类型是自动排列的。
-
对称直径和同心直径尺寸已排列,但它们不包含在对齐集中。
-
坐标、角坐标、半径、直径和倒斜角尺寸不会自动排列。
排列尺寸命令对平行尺寸的影响
- 对称直径尺寸和同心直径尺寸排列在线性尺寸之前。
- 注释:
对称直径尺寸 (A) 已对齐,但它们不像线性尺寸那样包含在对齐集中。在具有线性尺寸和对称直径尺寸的图纸中,首先排列对称直径尺寸。

- 尺寸被推离图纸视图的中心范围,并与尺寸线平行.
-

- 非重叠尺寸排列在一起.
-

- 重叠尺寸层叠起来.
- 注释:
-
当尺寸线与图纸视图几何元素、注释或尺寸值重叠时,排列尺寸命令将基于默认层叠间距对尺寸线进行层叠。必要时增大默认层叠间距以避免重叠。 要调整层叠距离,则在“尺寸样式”中编辑层叠间距值。
层叠间距定义层叠尺寸组中的尺寸线之间的距离。要设置层叠中最里面的尺寸线与已标注尺寸的几何体之间的距离,可使用线和坐标选项卡(尺寸样式和尺寸属性)上的初始层叠距离选项。
-
当层叠尺寸的尺寸值处于尺寸线中心而发生重叠时,排列尺寸命令将交错安排尺寸值。

-
- 层叠尺寸以从小到大的顺序排列.
-

- 连接到图纸视图的尺寸根据图纸视图几何元素的整体范围进行偏置.
- 注释:
层叠间距值 (A) 在命令条上定义。

- 连接到 2D 几何元素的尺寸的层叠间距只基于所选尺寸进行偏置。
- 注释:
层叠间距值 (A) 在命令条上定义。

排列尺寸命令对同心尺寸的影响
- 尺寸被推到项目线之上。
-

- 非重叠尺寸成链.
-

- 重叠尺寸层叠起来.
-

- 层叠尺寸以从小到大的顺序排列.
-

- 连接到图纸视图或 2D 几何元素的尺寸根据图纸视图几何元素的整体范围进行偏置.
- 注释:
层叠间距值 (A) 在命令条上定义。

© 2021 UDS